Skip to product information
DEUTZ FAHR SERVICE MANUALS

DEUTZ FAHR SERVICE MANUALS

$70.00

Description

Brands  Deutz Fahr
Type

 Repair manual service. 

Total size installed  2GB
License Unlimited
Language English, Spanish, German, Italian, French, Portuguese, Etc.
OS Windows 7/10/11
Procedure Web download and online installation through TeamViewer ( remote installation)

What is DEUTZ FAHR?

DEUTZ FAHR SERVICE MANUALS are technical documents that provide detailed information on the maintenance, repair, adjustments, and operation of tractors and agricultural equipment manufactured by DEUTZ FAHR. These manuals are essential tools for owners, technicians, and operators of DEUTZ FAHR equipment, as they provide precise and specific instructions to ensure proper operation and effective maintenance of the equipment.

The workshop manuals, operation and maintenance manuals, and standard workshop times for Deutz-Fahr tractors are available. These technical documents provide a comprehensive guide for servicing and maintaining Deutz-Fahr tractors, offering detailed instructions and extensive information on operating and maintenance procedures, as well as standard timeframes for workshop tasks. These manuals serve as essential tools for owners, technicians, and operators of Deutz-Fahr equipment, ensuring proper functioning and effective maintenance of the machinery.

Workshop Manuals
AGROCOMPACT F60-F70-F80-F90
AGROFARM 85-100
AGROKID 30-40-50
AGROLUX F50-F60-F70-F80
AGROPLUS 60-70-80
AGROPLUS 75-85-95-100
AGROTRAC 110-130-150
AGROTRON 80-85-90-100-105 MK3
AGROTRON 80-90-100-105
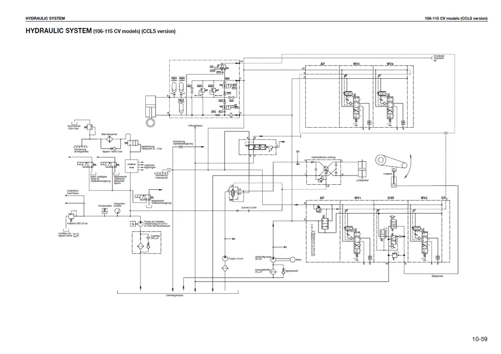
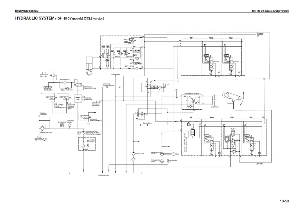
AGROTRON 106-110-115-120-135-150-165 MK3
AGROTRON 108-118-128
AGROTRON 130-140-155-165 MK3
AGROTRON 210-235-265
AGROTRON 215 - 265
AGROTRON 230-260
AGROTRON K 90-100-110-120
AGROTRON K 90-100-110-120 Profi line
AGROTRON TTV 1130-1145-1160
AGROTRON TTV 1130-1145-1160 Mtr. 2000
AGROVECTOR 26.6 - 30.7
ENGINES 1000.3.4.6 W EUROII
ENGINES DEUTZ 912-913
ENGINES DEUTZ 914
ENGINES DEUTZ BFM 1012-1013
ENGINES DEUTZ BFM 2012
ENGINES DEUTZ TCD 2012 2V
ENGINES DEUTZ TCD 2013 4V
FRONT AND REAR AXLE AGROVECTOR 26.6 - 30.7
FRONT AXLE FOR AGROTRON 120-130
FRONT AXLE FOR AGROTRON 150-150.7-165.7
FRONT AXLE FOR AGROTRON 210-265
FRONT AXLE FOR AGROTRON K 90-100-110-120
HYDRAULIC INVERSOR 80-105
HYDRAULIC INVERSOR 110-130
REAR AXLE T-7100
REAR AXLE T-7336
TRANSMISSION ECCOM 1.5
TRANSMISSION POWERSHUTTLE T-7100 KT
TRANSMISSION T-7336 PS
5650-5690 Balance

User Operation Manuals and Maintenance Books
AGROCOMPACT 60-90
AGROCOMPACT F70-F75-F90-F100
AGROFARM 85 100 85->5001 100->5001
AGROKID 210-220-230
AGROKID 30-40-50
AGROKID 35-45-55
AGROLUX 57-67 F57-F67
AGROLUX 60-F60-70-F70-80-F80
AGROLUX 77-87-97 LP77-87-97
AGROLUX 80-90
AGROLUX F50-F60-F70-F80
AGROPLUS 60-70-80
AGROPLUS 67-77-87 Power Shuttle
AGROPLUS 75-85-95-100
AGROPLUS 95 NEW
AGROPLUS F 70-75-90 Inv. Mec. - Power Shuttle
AGROPLUS S70-S75-S90-S100 Power Shuttle
AGROSUN 100-120-140
AGROTRON 1145-1160 TTV
AGROTRON 120-130-150-150.7-165.7
AGROTRON 120 - 180.7 Profi line
AGROTRON 180.7
AGROTRON 200
AGROTRON 210-235-235
AGROTRON 215 265
AGROTRON 90-100-110
AGROTRON K 90 - 120 90 - 120 Profi line
AGROTRON TTV 1130-1145-1160
AGROVECTOR 26.6-26.6 Lp-30.7
FRONT LOADER AGROTRON 120-130-150
5435H-5445H-5465H-5485HT
5545H-5565H-5585HT
5650-5690 Balance

Workshop Standart Times
Agrocompact 70F3 -» 3001 F75 - F90 -» 3001 - F100
Agrofarm 85 100 85->5001 100->5001
Agrokid 30 - 40 -» 1001 - 50 -» 1001
Agrokid 40 -» 6001 - 50 -» 6001
Agrolux 57 - 67
Agrolux F 57 - 67
Agroplus 67 77 87 -» 5001
Agrotron 90 -»6001 - 100 -»6001 - 110 -»8001
Agrotron 120 - 130 - 150 - 150.7 - 165.7
AGROTRON 195
Agrotron 215 265
Agrotron K 90 K 100 K 110 K 120
Agrotron K 90 K 100 K 110 K 120 Profi line

Do you have any questions or concerns that I can address for you? We are here to provide you with additional information and offer personalized assistance. We invite you to get in touch with us today, and we will be delighted to serve you with professionalism and efficiency. 

You may also like