Crown Forklift Parts and Service Resource Tool V5 06.2017
| Brands | Crown |
| Categories | Forklift |
| Region | All regions |
| Type | Catalog of manual |
| File size | |
| Size Installed: | 22.5 GB |
| License | Lifetime |
| English | |
| Arabic, Croatian, Danish, English, French, Indonesian, Italian, Korean, Polish, portuguese, Russian, Spanish, Swedish, Turkish | |
| OS | Windows 7/10/11 Pro |
| Procedure | Web download and online installation through TeamViewer ( remote installation) |
|
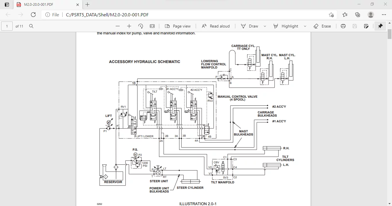
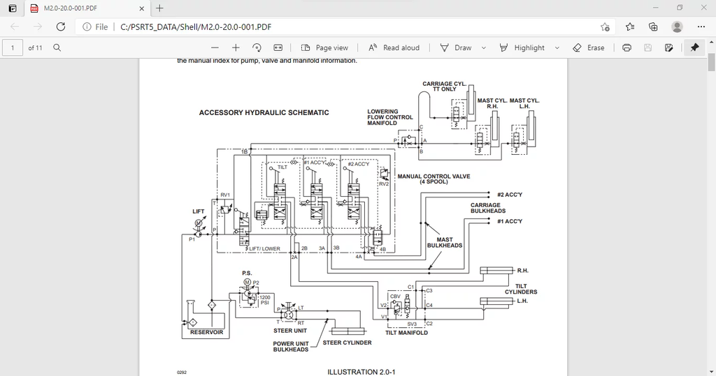
What is PSRT? Crown Forklift Parts and Service Resource Tool V5 06.2017 is a software used in the material handling industry, specifically in the field of Crown forklifts and warehouse equipment. This software provides a wide range of resources and tools for the service, maintenance, and repair of Crown Forklift equipment. The software includes service manuals, spare parts catalogs, technical documentation, and other resources related to Crown equipment. These resources are designed to assist technicians, service engineers, and sales professionals in accessing the necessary information for efficient maintenance and repair of Crown equipment. Contents: Models List: Do you have any questions or concerns that I can address for you? We are here to provide you with additional information and offer personalized assistance. We invite you to get in touch with us today, and we will be delighted to serve you with professionalism and efficiency. |
